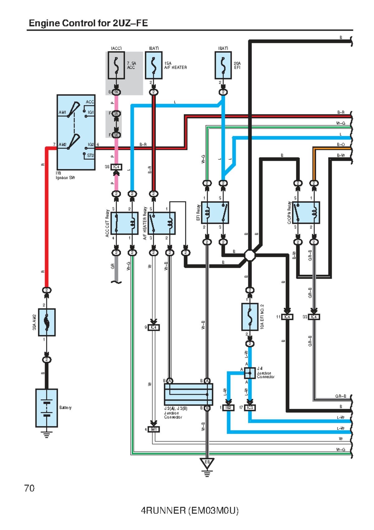
4 Runner 2007 Engine Control for 2UZ-FE - 70 Engine Control for 2UZ-FE ...
Art

4 Runner 2007 Engine Control for 2UZ-FE - 70 Engine Control for 2UZ-FE ...

1200 × 1698px November 5, 2025 Ashley
Download

In the realm of mathematics and computer science, the sequence 2 3 1 5 might seem like a random assortment of numbers. However, these numbers can hold significant meaning in various contexts, from algorithm design to cryptography. This blog post will delve into the intricacies of these numbers, exploring their applications and the underlying principles that make them important.

Understanding the Sequence 2 3 1 5

The sequence 2 3 1 5 can be interpreted in multiple ways depending on the context. In mathematics, these numbers can represent indices, coefficients, or even part of a larger sequence. In computer science, they might be part of an algorithm or a data structure. Let's break down each number and its potential significance.

The Number 2

The number 2 is fundamental in many areas of mathematics and computer science. It is the smallest even prime number and plays a crucial role in binary systems, which are the backbone of digital technology. In algorithms, the number 2 often represents a choice or a decision point, such as in binary search or decision trees.

The Number 3

The number 3 is significant in geometry and trigonometry, where it appears in the Pythagorean theorem and the properties of triangles. In computer science, 3 can represent a state or a condition, such as in state machines or finite automata. It is also a common factor in algorithms that involve partitioning or dividing data into three parts.

The Number 1

The number 1 is the identity element in many mathematical operations, such as multiplication and addition. In computer science, 1 often represents a true or active state in binary systems. It is also used as a base case in recursive algorithms, where the simplest form of the problem is solved directly.

The Number 5

The number 5 is significant in various mathematical contexts, such as the Fibonacci sequence and the golden ratio. In computer science, 5 can represent a specific state or condition, such as in error codes or status indicators. It is also used in algorithms that involve partitioning data into five parts or handling five different cases.

Applications of the Sequence 2 3 1 5

The sequence 2 3 1 5 can be applied in various fields, from cryptography to data structures. Let's explore some of these applications in detail.

Cryptography

In cryptography, the sequence 2 3 1 5 can be used to generate keys or encrypt data. For example, the numbers can represent indices in a substitution cipher, where each number corresponds to a letter in the alphabet. Alternatively, they can be used as coefficients in a polynomial-based encryption scheme, where the sequence determines the coefficients of the polynomial.

Data Structures

In data structures, the sequence 2 3 1 5 can be used to define the structure of a tree or a graph. For example, a binary tree can be constructed where each node has 2 children, and the sequence 3 1 5 can represent the values stored in the nodes. Alternatively, a graph can be defined where each node has 2 edges, and the sequence 3 1 5 can represent the weights of the edges.

Algorithms

In algorithms, the sequence 2 3 1 5 can be used to define the steps or conditions of an algorithm. For example, a sorting algorithm can be designed where the sequence determines the order of comparison or the partitioning of the data. Alternatively, a search algorithm can be defined where the sequence represents the indices of the search space.

Examples of the Sequence 2 3 1 5 in Action

To better understand the applications of the sequence 2 3 1 5, let's look at some concrete examples.

Example 1: Substitution Cipher

In a substitution cipher, each letter in the plaintext is replaced by a letter in the ciphertext according to a fixed system. The sequence 2 3 1 5 can be used to define this system. For example, the sequence can represent the indices of the letters in the alphabet, where 2 corresponds to 'B', 3 corresponds to 'C', 1 corresponds to 'A', and 5 corresponds to 'E'. The plaintext 'HELLO' would be encrypted as 'CBAAE'.

Example 2: Binary Tree

A binary tree is a tree data structure in which each node has at most 2 children. The sequence 2 3 1 5 can be used to define the values stored in the nodes. For example, the root node can store the value 3, the left child can store the value 1, and the right child can store the value 5. The sequence can be extended to define the values of the subsequent nodes.

Example 3: Sorting Algorithm

A sorting algorithm can be designed where the sequence 2 3 1 5 determines the order of comparison. For example, the algorithm can compare the first and second elements, then the third and first elements, then the fifth and first elements, and so on. This sequence can be used to sort an array of numbers or strings.

Importance of the Sequence 2 3 1 5

The sequence 2 3 1 5 is important in various fields due to its versatility and applicability. It can be used to define the structure of data, the steps of an algorithm, or the keys in a cryptographic system. Understanding the significance of this sequence can help in designing efficient algorithms, secure cryptographic systems, and robust data structures.

💡 Note: The sequence 2 3 1 5 is just one example of how numbers can be used in mathematics and computer science. There are many other sequences and numbers that hold similar significance.

In conclusion, the sequence 2 3 1 5 is a fascinating example of how numbers can be used in various fields. From cryptography to data structures, this sequence plays a crucial role in defining the structure, steps, and conditions of algorithms and systems. Understanding the significance of this sequence can help in designing efficient and secure solutions in mathematics and computer science.

Related Terms:

  • 2 3 add 1 5
  • 2 3x1 5 in fractions
  • estimating fraction calculator
  • simplify 2 3 1 5
  • 2 3 times 1 5
  • 2 3 divided 1 5
Art
🖼 More Images
HPE ProLiant DL20 Gen11 6325P 3.5GHz 4c 1P 1x32GB-U 4SFF 2x480GB SSD ...
HPE ProLiant DL20 Gen11 6325P 3.5GHz 4c 1P 1x32GB-U 4SFF 2x480GB SSD ...
2880×2880
Injecteur RENAULT LAGUNA III (BT0/1) 1.5 dCi (BT00, BT0A, BT0T, BT1J ...
Injecteur RENAULT LAGUNA III (BT0/1) 1.5 dCi (BT00, BT0A, BT0T, BT1J ...
2592×1944
2-3 | โรงเรียนสตรีศรีน่าน
2-3 | โรงเรียนสตรีศรีน่าน
1056×1056
FM 23 Galatasaray Taktiği! 4-2-3-1, 3-5-2 Okan Buruk Düzeni ve Alternatif
FM 23 Galatasaray Taktiği! 4-2-3-1, 3-5-2 Okan Buruk Düzeni ve Alternatif
1080×1080
ZGCine V-Mount Plate On 15mm Rod Mount (VM-VP1-K1) (27VMVP1K100000 ...
ZGCine V-Mount Plate On 15mm Rod Mount (VM-VP1-K1) (27VMVP1K100000 ...
1196×1196
2/(x-3)+1/(x-1) = 5/(x-1)-2/(x-2) - Brainly.in
2/(x-3)+1/(x-1) = 5/(x-1)-2/(x-2) - Brainly.in
1517×1402
[Solved] Assume that the Poisson distribution applies and that the mean ...
[Solved] Assume that the Poisson distribution applies and that the mean ...
2263×2219
Deuteronomy 23 Summary - 5 Minute Bible Study — 2BeLikeChrist
Deuteronomy 23 Summary - 5 Minute Bible Study — 2BeLikeChrist
2500×2717
Deuteronomy 23 Summary - 5 Minute Bible Study — 2BeLikeChrist
Deuteronomy 23 Summary - 5 Minute Bible Study — 2BeLikeChrist
2500×2717
[Solved] Assume that the Poisson distribution applies and that the mean ...
[Solved] Assume that the Poisson distribution applies and that the mean ...
2263×2219
4 Runner 2007 Engine Control for 2UZ-FE - 70 Engine Control for 2UZ-FE ...
4 Runner 2007 Engine Control for 2UZ-FE - 70 Engine Control for 2UZ-FE ...
1200×1698
Explicación fácil de fracciones
Explicación fácil de fracciones
2000×1500
1+1+2+1+2+3+1+2+3+4……怎么算? - 知乎
1+1+2+1+2+3+1+2+3+4……怎么算? - 知乎
4404×1402
Lelit Bianca V3 - kaufen bei Digitec
Lelit Bianca V3 - kaufen bei Digitec
2355×2355
Solarix Univerzální EASY konektor RJ45 CAT5E UTP 8p8c na drát i ...
Solarix Univerzální EASY konektor RJ45 CAT5E UTP 8p8c na drát i ...
2880×2880
2023 풍산자 반복수학 답지 1-1, 1-2, 2-1, 2-2, 3-1, 3-2 답지 (중등 전과정)
2023 풍산자 반복수학 답지 1-1, 1-2, 2-1, 2-2, 3-1, 3-2 답지 (중등 전과정)
1280×1828
WDYWT|2 0 2 2 . 3 . 1 5_白波_屋企_口罩
WDYWT|2 0 2 2 . 3 . 1 5_白波_屋企_口罩
1080×1080
1. A die was thrown 30 times and the following outcomes were noted: 2 ...
1. A die was thrown 30 times and the following outcomes were noted: 2 ...
1496×2016
3) 75-{12-[-4-(16-23+5)-19]-20} 4) –13-{-7-[9-(13-8)-7]}-(27-145) –6 ...
3) 75-{12-[-4-(16-23+5)-19]-20} 4) –13-{-7-[9-(13-8)-7]}-(27-145) –6 ...
1346×1738
Exercícios De Simetria 4 Ano Com Gabarito - BAMEDU
Exercícios De Simetria 4 Ano Com Gabarito - BAMEDU
1108×1600
5. 1. adım 2. adım A. 33 Yukarıdaki örüntünün 5. ve 6. adımında top ...
5. 1. adım 2. adım A. 33 Yukarıdaki örüntünün 5. ve 6. adımında top ...
1036×1600
PTA「实验7-2-2 矩阵运算」 - 知乎
PTA「实验7-2-2 矩阵运算」 - 知乎
2521×1374
4/1-4/3+4/5-4/7+4/9= - Brainly.lat
4/1-4/3+4/5-4/7+4/9= - Brainly.lat
1983×1398
FM 23 Galatasaray Taktiği! 4-2-3-1, 3-5-2 Okan Buruk Düzeni ve Alternatif
FM 23 Galatasaray Taktiği! 4-2-3-1, 3-5-2 Okan Buruk Düzeni ve Alternatif
1080×1080
Wpisz wartości bezwzględnie liczb[-6][-4][7][0][-3,2][3 1/5][-200,1 ...
Wpisz wartości bezwzględnie liczb[-6][-4][7][0][-3,2][3 1/5][-200,1 ...
3264×2448
«ПЕСИК» (3; 5), (2; 3), (1; 5), (2; 6), (3; 5), (6; 5), (6; 4), (8; 4 ...
«ПЕСИК» (3; 5), (2; 3), (1; 5), (2; 6), (3; 5), (6; 5), (6; 4), (8; 4 ...
1089×1599
ファンタジーな洞窟地下、大きな男性学者2-3-1-5 | chichi-pui(ちちぷい)AIイラスト専用の投稿&生成サイト
ファンタジーな洞窟地下、大きな男性学者2-3-1-5 | chichi-pui(ちちぷい)AIイラスト専用の投稿&生成サイト
1024×1536
realme GT7 5G DS 12+512 ITA BLACK + WATCH S2 - kaufen bei Galaxus
realme GT7 5G DS 12+512 ITA BLACK + WATCH S2 - kaufen bei Galaxus
1821×1821
BMW 6-Series GT G32 V2.3 1 (5) - American Truck Simulator mod | ATS mod
BMW 6-Series GT G32 V2.3 1 (5) - American Truck Simulator mod | ATS mod
1728×1080
Relaxdays - Aufbewahrungsbox mit Deckel 6er Set, Grau, 18,5 x 26,5 x 13 ...
Relaxdays - Aufbewahrungsbox mit Deckel 6er Set, Grau, 18,5 x 26,5 x 13 ...
2023×2023
2/(x-3)+1/(x-1) = 5/(x-1)-2/(x-2) - Brainly.in
2/(x-3)+1/(x-1) = 5/(x-1)-2/(x-2) - Brainly.in
1517×1402
3 1_3 : 2_3 * 1_5 ПЖЖППЖПЖПЖПЖПЖПЖЖП - Школьные Знания.com
3 1_3 : 2_3 * 1_5 ПЖЖППЖПЖПЖПЖПЖПЖЖП - Школьные Знания.com
3000×4000
3) 75-{12-[-4-(16-23+5)-19]-20} 4) -13-{-7-[9-(13-8)-7]}-(27-145) -6 ...
3) 75-{12-[-4-(16-23+5)-19]-20} 4) -13-{-7-[9-(13-8)-7]}-(27-145) -6 ...
1346×1738
3 1_3 : 2_3 * 1_5 ПЖЖППЖПЖПЖПЖПЖПЖЖП - Школьные Знания.com
3 1_3 : 2_3 * 1_5 ПЖЖППЖПЖПЖПЖПЖПЖЖП - Школьные Знания.com
3000×4000
2. Calculati: a) 66²:40; b) 14²: e) 3 23 22 1 ; c) 8 24 65 13 5 2 3 1 ...
2. Calculati: a) 66²:40; b) 14²: e) 3 23 22 1 ; c) 8 24 65 13 5 2 3 1 ...
1512×1986
Explicación fácil de fracciones
Explicación fácil de fracciones
2000×1500
Jurassic World Spinosaurus - kaufen bei Galaxus
Jurassic World Spinosaurus - kaufen bei Galaxus
2880×2880
№515 1)-2 1/2:3 1/3 3)3 3/8:(- 2 1/4) - Школьные Знания.com
№515 1)-2 1/2:3 1/3 3)3 3/8:(- 2 1/4) - Школьные Знания.com
1242×1242
«ПЕСИК» (3; 5), (2; 3), (1; 5), (2; 6), (3; 5), (6; 5), (6; 4), (8; 4 ...
«ПЕСИК» (3; 5), (2; 3), (1; 5), (2; 6), (3; 5), (6; 5), (6; 4), (8; 4 ...
1089×1599
Rectangular Steel Tubing Dimensions Corner Radius | The Tube
Rectangular Steel Tubing Dimensions Corner Radius | The Tube
2339×1138